Поддерживаются только однотарифные счётчики электричества с импульсным выходом.
Проверьте, что ваши энергетики не будут против подключения и не нарушайте пломбы.
Мы рекомендуем устройство https://us.pstd.ru для опроса счетчиков по цифровому интерфейсу.
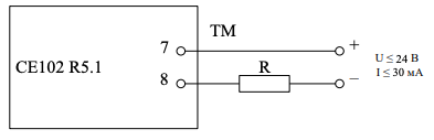
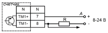
Полярность подключения важна. Полярность разъема Ватериуса указана на фото:

При необходимости можно нарастить провод до 15 метров витой парой, но мы не гарантируем отсутствие помех.

Подключение
Выход 7 – “+”
Выход 8 – “-“

Настройки Ватериуса
Тип входа: Электронный
Тип счетчика: Электричество
Вес импульса: 1600 имп/кВт*ч

Подключение
На картинке: Коричневый — плюс Ватериуса
На картинке: Белый — минус Ватериуса
Настройки Ватериуса
Тип входа: Электронный
Тип счетчика: Электричество
Вес импульса: 3200 имп/кВт*ч

Подключение
Контакты указаны под крышкой “+” и “-“
Настройки Ватериуса
Тип входа: Электронный
Тип счетчика: Электричество
Вес импульса: 5000 имп/кВт*ч (Вес конфигурируется в счётчике. По умолчанию 5000)

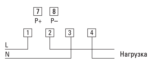
Производитель: ФГУП НПП Контакт, г.Саратов

Подключение
ТМ- — минус Ватериуса
ТМ+ — плюс Ватериуса
Настройки Ватериуса
Тип входа: Электронный
Тип счетчика: Электричество
Вес импульса: 7000 имп/кВт*ч
Производитель: ФГУП НПП Контакт, г.Саратов

Подключение
ТМ- — минус Ватериуса
ТМ+ — плюс Ватериуса
Настройки Ватериуса
Тип входа: Электронный
Тип счетчика: Электричество
Вес импульса: 6400 имп/кВт*ч

Выход 13 – плюс
Выход 14 – минус
Настройки Ватериуса
тип: электричество
тип счетчика: электронный

Выход 7 – плюс
Выход 8 – минус
Настройки Ватериуса
тип: электричество
тип счетчика: электронный
Корпус типа А, AS

Выход 12 – плюс
Выход 13 – минус
Настройки Ватериуса
тип: электричество
тип счетчика: электронный
Корпус типа P, PS R1, R1S, R2, R2S

Выход 1 – плюс
Выход 2 – минус
Настройки Ватериуса
тип: электричество
тип счетчика: электронный

Выход 7 – плюс
Выход 8 – минус
Настройки Ватериуса
тип: электричество
тип счетчика: электронный

Выход 26 – плюс
Выход 27 – минус
Настройки Ватериуса
тип: электричество
тип счетчика: электронный

Выход 12 – плюс
Выход 13 – минус
Настройки Ватериуса
тип: электричество
тип счетчика: электронный
Частота импульсов 100 импульсов/кВт*ч
Посмотрите, какой модификации у вас счетчик, возможно можно подключить Электриус https://us.pstd.ru для опроса счетчиков по цифровому интерфейсу.
Обычно для подключения внешних устройств к счётчикам требуется вскрывать пломбы. Сделать это можно только пригласив энергетиков за дополнительную плату.
Другой вариант поставить второй счётчик. Если у вас несколько тарифов, то будет небольшая разница между ними из-за погрешностей измерений и не точных часов в счётчиках.
Если вашего счётчика нет в списке, а вы видите импульсный выход — напишите нам в чат, мы подскажем, как его подключить.
Вес счётчика можно задать в устройстве Ватериус. На сайте такой настройки нет.
Во время настройки устройства на странице ввода значения счетчика есть параметр "вес импульса". Выберите известный счётчик или "указать вручную" и введите цифры количества импульсов.